KJF

ENG

Compact Type Swing Clamp

YOU CAN COUNT ON OUR EXPERTISE

Piping Method
Operation: "CSDL" TYPE(반시계방향 회전)
Features
  • 저압용/가스연질화 표면처리
  • 컴팩트 디자인
  • 천칭 레버 적용형
  • 빠른 레버 교환형
  • 스윙클램프는 Meter-out Valve가 속도조절에 유리
  • 내경범위 : ø25~60
  • 작동범위 : 20~70kgf/㎠
  • 사용온도 : 0~60℃
  • 레버는 옵션
Model No.
  • 1
    Clamp Type
    SDR = SWING RIGHT
    SDL = SWING LEFT
  • 2
    Piston Diameter
    ex ) 25 = Ø25
  • 3
    Pistion Rod Stroke
    ex ) 16 = 16mm
  • 4
    Type
    G = Gasket
    GW = Gasket + Flow control valve
    GP = Gasket + Pin Hole
    GPW = Gasket + Pin Hole + Flow Control Valve
    GQ = Gasket + Quick Change
    GQW = Gasket + Quick Change + Flow Control Vavle
    ★ W: Meter-Out Valve / V: Meter-In Valve
  • 5
    Swing Angle
    No sign = 90°
    ex) 30 = 30°
SWING CLAMP COMPACT TYPE
  • CSDR/L-2516G
  • CSDR/L-3017G
  • CSDR/L-3618G
  • CSDR/L-4220G
  • CSDR/L-5026G
  • CSDR/L-6028G
Specifications
Model No. Type Max. Cylinder
Force(kgf)
Piston
Diameter(ø)
Effective
Area(㎠)
Stroke(mm) Oil
Capacity(㎤)
at Clamping
Swing Angle Tolerance
(Repeated Accuracy)
Operating
Pressure Range
(kgf/㎠)
Operating
Temperature
Range(℃)
Weight
(kg)
Swing Straight Total
CSDR/L-2516 G 219 25 3.14 8 8 16 5.02 ±3°
(±0.5°)
20~70 0~60 0.90
GP 0.73
GQ 0.75
CSDR/L-3017 G 316 30 4.52 9 8 17 7.69 1.33
GP 1.05
GQ 1.09
CSDR/L-3618 G 446 36 6.37 10 8 18 11.47 1.52
GP 1.36
GQ 1.44
CSDR/L-4220 G 625 42 8.94 10 10 20 17.88 1.78
GP 1.66
GQ 1.76
CSDR/L-5026 G 879 50 12.56 16 10 26 32.66 3.21
GP 3.01
GQ 3.19
CSDR/L-6028 G 1305 60 18.64 16 12 28 52.20 5.80
GP 4.28
GQ 4.41
  • 클램프력 그래프(클릭!)
  • - G Type
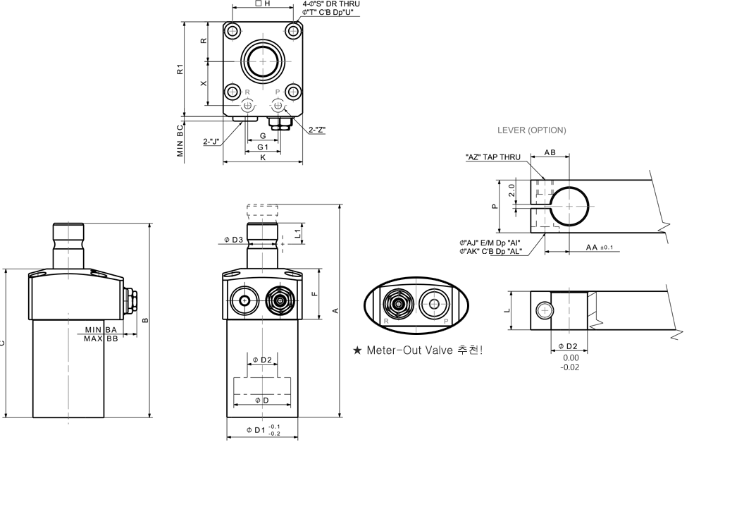
    MODEL NO 주문 Download Dimensions(mm)
    2D 3D PDF A B C øD øD1 øD2 øD3 E F G G1 H J K L L1 N P Q R R1 S T U X Z AA AB AC AD øAd AE BC øCA CB CC øCD CE CF
    CSDR/L-2516G 122.5 106.5 80.5 25 37 15 17 2 27 16 18 31.5 G1/8 40 17 14 32 26 M14x1.5P 20 49 4.5 8 7 23.5 P5 50 13 12 10 15 M5 3.9 4 8 17.4 4 8 10.4
    CSDR/L-3017G 134 117 88 30 42 18 20 2 30 18 21 36 G1/8 47 19 16 36.5 28 M16x1.5P 23.5 56 5.5 9.5 12 26 P5 56.5 14 13 12 17 M6 3.9 4 9 18.5 4 9 10.5
    CSDR/L-3618G 144 126 92 36 48 22 25 2 30 22 22 40 G1/8 51 23 19 42 35 M20x1.5P 25.5 61 5.5 9.5 11 30 P5 65.5 17.5 15 12 21 M6 3.4 5 11.5 21.5 5 11.5 12.5
    CSDR/L-4220G 146 126 88 42 55 25 28 2 28 24 24 47 G1/8 60 26 22 50 38 M22x1.5P 30 69 6.8 11 11.5 33.5 P5 77 19 15 17 23.5 M8 3.9 6 13 24.5 6 13 14.5
    CSDR/L-5026G 182.5 156.5 114.5 50 65 30 34 2 31 30 30 55 G1/4 70 29 25 57 50 M27x1.5P 35 81 6.8 11 13 39.5 P7 92 25 15 20 29 M10 3.8 6 15.5 27.5 6 15.5 16.5
    CSDR/L-6028G 198 170 122 60 75 35 40 2 37 32 32 63 G1/4 80 35 31 65 58 M28x1.5P 40 92 9 14 16 45 P7 105 29 20 22 33 M12 3.3 8 18 28.5 8 18 17.5
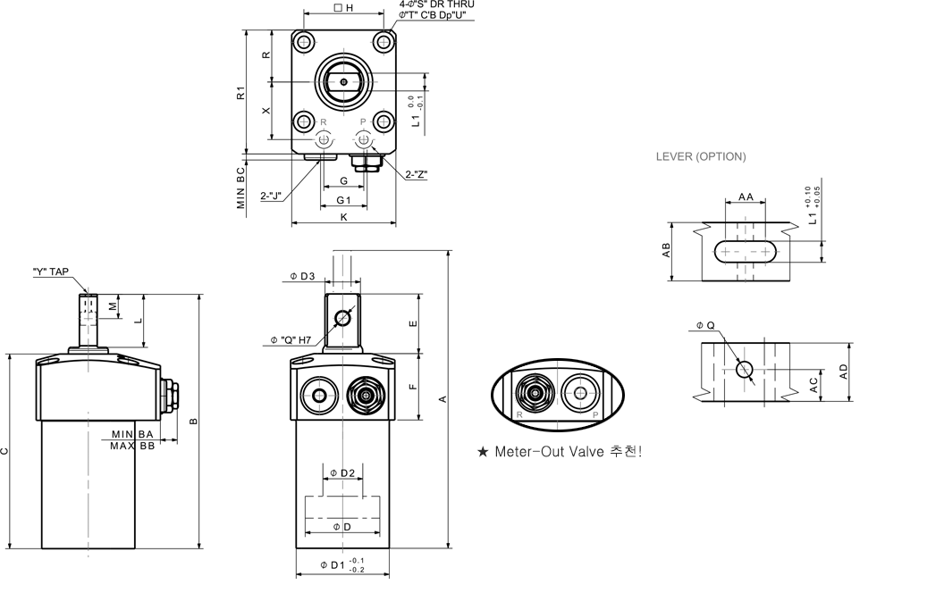
    - GW(meter-out)/GV(meter-in) Type
    MODEL NO 주문 Download Dimensions(mm)
    2D 3D PDF A B C øD øD1 øD2 øD3 E F G G1 H J K L L1 N P Q R R1 S T U X Z AA AB AC AD øAd AE BA BB BC øCA CB CC øCD CE CF
    CSDR/L-2516GV 122.5 106.5 80.5 25 37 15 17 2 27 16 18 31.5 G1/8 40 17 14 32 26 M14x1.5P 20 49 4.5 8 7 23.5 P5 50 13 12 10 15 M5 7.1 13.7 3.9 4 8 17.4 4 8 10.4
    CSDR/L-3017GV 134 117 88 30 42 18 20 2 30 18 21 36 G1/8 47 19 16 36.5 28 M16x1.5P 23.5 56 5.5 9.5 12 26 P5 56.5 14 13 12 17 M6 7.1 13.7 3.9 4 9 18.5 4 9 10.5
    CSDR/L-3618GV 144 126 92 36 48 22 25 2 30 22 22 40 G1/8 51 23 19 42 35 M20x1.5P 25.5 61 5.5 9.5 11 30 P5 65.5 17.5 15 12 21 M6 6.6 13.2 3.4 5 11.5 21.5 5 11.5 12.5
    CSDR/L-4220GV 146 126 88 42 55 25 28 2 28 24 24 47 G1/8 60 26 22 50 38 M22x1.5P 30 69 6.8 11 11.5 33.5 P5 77 19 15 17 23.5 M8 7.1 13.7 3.9 6 13 24.5 6 13 14.5
    CSDR/L-5026GV 182.5 156.5 114.5 50 65 30 34 2 31 30 30 55 G1/4 70 29 25 57 50 M27x1.5P 35 81 6.8 11 13 39.5 P7 92 25 15 20 29 M10 7.65 17.3 3.8 6 15.5 27.5 6 15.5 16.5
    CSDR/L-6028GV 198 170 122 60 75 35 40 2 37 32 32 63 G1/4 80 35 31 65 58 M28x1.5P 40 92 9 14 16 45 P7 105 29 20 22 33 M12 7.15 16.8 3.3 8 18 28.5 8 18 17.5
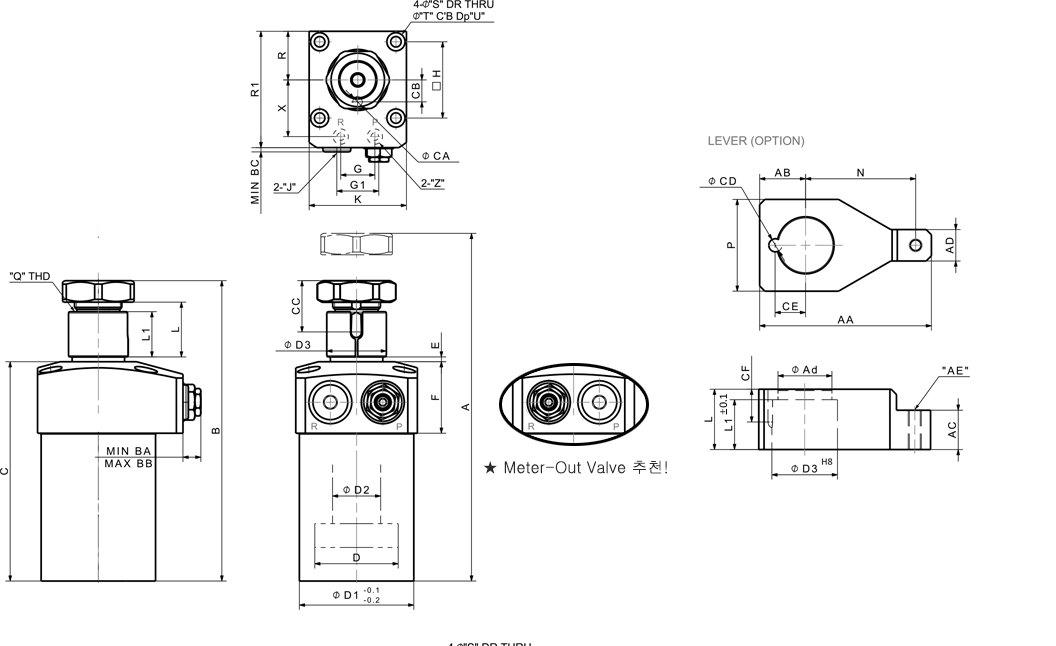
    - GP Type
    MODEL NO Dimensions(mm) Download 주문
    A B C øD øD1 øD2 øD3 E F G G1 H J K L L1 M øQ R R1 S T U X Y Z AA AB AC AD BC 2D 3D PDF
    CSDR/L-2516GP 120.5 104.5 80.5 25 37 15 13.5 24 27 16 18 31.5 G1/8 40 21 7 9 6 20 49 4.5 8 7 23.5 M3 P5 13 20 11 19 3.9
    CSDR/L-3017GP 132 115 88 30 42 18 16 27 30 18 21 36 G1/8 47 24 8 11 6 23.5 56 5.5 9.5 12 26 M3 P5 15 22 12 22 3.9
    CSDR/L-3618GP 142 124 92 36 48 22 20 32 30 22 22 40 G1/8 51 27.5 10 12 8 25.5 61 5.5 9.5 11 30 M4 P5 20 28 14.5 25.5 3.4
    CSDR/L-4220GP 144 124 88 42 55 25 23 36 28 24 24 47 G1/8 60 31.5 12 12.5 10 30 69 6.8 11 11.5 33.5 M5 P5 23 32 18 29.5 3.9
    CSDR/L-5026GP 183.5 157.5 114.5 50 65 30 28 43 31 30 30 55 G1/4 70 38.5 14 16.5 13 35 81 6.8 11 13 39.5 M6 P7 28 40 21 36.5 3.8
    CSDR/L-6028GP 198 170 122 60 75 35 33.5 48 37 32 32 63 G1/4 80 43.5 16 19 13 40 92 9 14 16 45 M6 P7 33 44 23 41.5 3.3
    - GPW(meter-out)/GPV(meter-in) Type
    MODEL NO 주문 Download Dimensions(mm)
    2D 3D PDF A B C øD øD1 øD2 øD3 E F G G1 H J K L L1 M øQ R R1 S T U X Y Z AA AB AC AD BA BB BC
    CSDR/L-2516GPV 120.5 104.5 80.5 25 37 15 13.5 24 27 16 18 31.5 G1/8 40 21 7 9 6 20 49 4.5 8 7 23.5 M3 P5 13 20 11 19 7.1 13.7 3.9
    CSDR/L-3017GPV 132 115 88 30 42 18 16 27 30 18 21 36 G1/8 47 24 8 11 6 23.5 56 5.5 9.5 12 26 M3 P5 15 22 12 22 7.1 13.7 3.9
    CSDR/L-3618GPV 142 124 92 36 48 22 20 32 30 22 22 40 G1/8 51 27.5 10 12 8 25.5 61 5.5 9.5 11 30 M4 P5 20 28 14.5 25.5 6.6 13.2 3.4
    CSDR/L-4220GPV 144 124 88 42 55 25 23 36 28 24 24 47 G1/8 60 31.5 12 12.5 10 30 69 6.8 11 11.5 33.5 M5 P5 23 32 18 29.5 7.1 13.7 3.9
    CSDR/L-5026GPV 183.5 157.5 114.5 50 65 30 28 43 31 30 30 55 G1/4 70 38.5 14 16.5 13 35 81 6.8 11 13 39.5 M6 P7 28 40 21 36.5 7.65 17.25 3.8
    CSDR/L-6028GPV 198 170 122 60 75 35 33.5 48 37 32 32 63 G1/4 80 43.5 16 19 13 40 92 9 14 16 45 M6 P7 33 44 23 41.5 7.15 16.75 3.3
    - GQ Type
    MODEL NO Dimensions(mm) Download 주문
    A B C øD øD1 øD2 øD3 E F G G1 H J K L L1 P R R1 S T U X Z AA AB AI AJ AK AL AZ BC 2D 3D PDF
    CSDR/L-2516GQ 120.5 104.5 80.5 25 37 15 12.9 24 27 16 18 31.5 G1/8 40 22 11 22 20 49 4.5 8 7 23.5 P5 9.5 15 15.5 6.5 11 2 M6 3.9
    CSDR/L-3017GQ 132 115 88 30 42 18 16 27 30 18 21 36 G1/8 47 25 12.5 26 23.5 56 5.5 9.5 12 26 P5 11.6 19 19 8.5 14 3 M8 3.9
    CSDR/L-3618GQ 142 124 92 36 48 22 18.9 32 30 22 22 40 G1/8 51 30 15 32 25.5 61 5.5 9.5 11 30 P5 14.5 23 22 11 18 4 M10 3.4
    CSDR/L-4220GQ 144 124 88 42 55 25 22 36 28 24 24 47 G1/8 60 34 17 36 30 69 6.8 11 11.5 33.5 P5 16.5 26.5 26 12.5 20 4 M12 3.9
    CSDR/L-5026GQ 183.5 157.5 114.5 50 65 30 26 43 31 30 30 55 G1/4 70 40 20 45 35 81 6.8 11 13 39.5 P7 20 31.5 31.5 14.5 23 5 M14 3.8
    CSDR/L-6028GQ 198 170 122 60 75 35 31 48 37 32 32 63 G1/4 80 46 23 53 40 92 9 14 16 45 P7 23.5 36.5 38 16.5 26 7 M16 3.3
    - GQW(meter-out)/GQV(meter-in) Type
    MODEL NO 주문 Download Dimensions(mm)
    2D 3D PDF A B C øD øD1 øD2 øD3 E F G G1 H J K L L1 P R R1 S T U X Z AA AB AI AJ AK AL AZ BA BB BC
    CSDR/L-2516GQV 120.5 104.5 80.5 25 37 15 12.9 24 27 16 18 31.5 G1/8 40 22 11 22 20 49 4.5 8 7 23.5 P5 9.5 15 15.5 6.5 11 2 M6 7.1 13.7 3.9
    CSDR/L-3017GQV 132 115 88 30 42 18 16 27 30 18 21 36 G1/8 47 25 12.5 26 23.5 56 5.5 9.5 12 26 P5 11.6 19 19 8.5 14 3 M8 7.1 13.7 3.9
    CSDR/L-3618GQV 142 124 92 36 48 22 18.9 32 30 22 22 40 G1/8 51 30 15 32 25.5 61 5.5 9.5 11 30 P5 14.5 23 22 11 18 4 M10 6.6 13.2 3.4
    CSDR/L-4220GQV 144 124 88 42 55 25 22 36 28 24 24 47 G1/8 60 34 17 36 30 69 6.8 11 11.5 33.5 P5 16.5 26.5 26 12.5 20 4 M12 7.1 13.7 3.9
    CSDR/L-5026GQV 183.5 157.5 114.5 50 65 30 26 43 31 30 30 55 G1/4 70 40 20 45 35 81 6.8 11 13 39.5 P7 20 31.5 31.5 14.5 23 5 M14 7.65 17.25 3.8
    CSDR/L-6028GQV 198 170 122 60 75 35 31 48 37 32 32 63 G1/4 80 46 23 53 40 92 9 14 16 45 P7 23.5 36.5 38 16.5 26 7 M16 7.15 16.75 3.3
    TOP